第一部分水源工程 (1)机电并设计时应充分了解项目区地下水资源情况,包括项目区地下水资源容积储存量和弹性储存量及人工开采量,项目区各种补给量和水资源天然消耗量等。(2)根据项目区种植计划,作物品种,各种作物的灌溉定额、灌概方法、灌水次数等计算综合平均灌水定额。(3)根据布井区的水文地质条件、地形条件设计井深。(4)计算单并控制面积。当需水量小于或等于允许开采量时,采用单并控制面积法确定并数;当需水量大于允许开采量时,采用允许开采模数法确定井数。(5)计算井距。群井并位根据布井区的水文地质条件和地理位置,结合灌排沟渠系统、道路、林带、输电线路等进行布置。拦河坝的主要功能是蓄水,应根据不同的功用和地形、地质条件设计拦河坝。(1)泵站设计首先应根据项目区地形、地貌、水系及原有水利工程等条件进行枢纽布置。(2)泵站设计要进行泵站设计流量计算,泵站设计扬程计算和水泵选型。(3)附属设施设计。包括泵房设计、进水池设计、出水池设计及配套的电力工程设计等。塘堰主要功能是着水,应根据不同的地形、地质条件设计。塘堰设计要根据项目区水文条件进行蓄水量计算、边墙稳定计算等。蓄水池的主要功能是蓄水和调节水位,应根据不同的功用和地形、地质条件设计蓄水池。对于渠道引水的喷灌、滴灌系统首部前的蓄水池及要求净化水质的蓄水池,应考虑在着水池前设计沉沙及拦污设施;由泵站提水,通过管道输水入池用于调节水位的蓄水池,不考虑池前沉沙及拦污设施。蓄水池设计要根据项目区用水要求进行蓄水量计算、边墙稳定计算、边墙内力及配筋计算等。
第二部分输水工程 设计说明 第一章渠道输水 (1)根据项目区周边材料供应情况确定硬化方式。 (2)根据项目区具体情况,确定明渠输水渠道的断面形式。 (3)选用合理的水力参数。渠底比降应根据渠道沿线地形,地质条件,设计流量和含沙量等因素,通过计算分析确定,在满足渠道不冲不淤的条件下以较缓为宜;根据硬化方式确定明渠输水渠道的糙率。 (4)根据项目区用水要求选用合适的断面尺寸,并进行过水能力计算。渠道的纵横断面设计要保证设计输水能力、边坡稳定和水流安全通畅;各级渠道之间和渠道各分段之间及重要建筑物上下游水面平顺连接;末级渠道放水口的水位高出平整后田面进水口不少于10cm,且要保证施工运用和管理方便。 第二章管道输水 (1)根据项目区具体情况确定输水管道的材质及具体形式。 (2)根据项目区田块用水要求进行管径选型计算。 (3)根据输水管道长度及首末端高程差进行管道压力计算和沿程水头损失计算。 第三部分喷微灌工程
设计说明 第一章喷灌 (1)系统布置。结合整体布局进行喷灌系统规划设计,根据种植作物、灌溉水源情况划分系统。(2)管网布置。包括干管布置和支管与喷头的布置(对于丘陵梯田,因作物基本沿等高线种植,支管布置采用平行等高线布置,每层梯田布置一根支管,沿支管布置喷头时,需考虑其喷洒半径以下不湿润田埂为宜,以免冲刷田埂造成水土流失)。(3)进行设计灌水定额计算、设计喷灌周期计算、喷头流量计算,按照计算的喷头流量进行喷头选择。(4)喷灌系统工作制度确定。根据作物需水要求及设计灌水定额,计算一次喷灌所需时间和各种喷灌系统同时工作的喷头及支管数量。(5)进行喷灌系统水力计算。包括流量推算、管径选择计算、水击压力计算、水头计算、管网水头损失计算等。(7)喷灌系统首部枢纽设计。在系统管网的首部设有水泵、闸阀、进排气阀、缓闭止回阀、压力表等设施。(8)附属设施设计。包括管沟设计、阀门井设计、镇墩设计,以及配套的电力工程设计等。(1)系统布置。结合整体布局进行微灌系统规划设计,根据种植作物、灌溉水源情况划分系统,画出管网平面布置及管网结点图。(2)管网布置。根据灌水器的参数、轮灌方式和作物种植方式布置输配水管网。(3)末端灌水器选用。末端灌水器的作用是向作物根系附近土壤供水,满足作物对水分的需求,应根据不同种植作物选用合适的滴头流量及滴头间距。(4)微灌系统工作制度确定。应根据项目区情况,并考虑系统的工作制度、设备维修等因素。按照拟定的灌溉制度计算作物一次灌水延续时间和轮灌组数。(6)进行微灌系统水力计算。包括流量推算、管网水头损失计算、微灌系统设计水头计算、系统水头损失计算等。(7)系统首部枢纽设计。首部是整个微灌系统的控制中枢,它由水源、水泵、进水闸阀、排水闸阀、进排气阀、缓闭止回阀、压力表、施肥罐及其他管件等组成。过滤系统由过滤器、筛网过滤器及其他管件等组成。(8)附属设施设计。包括泵房及进水池设计、管沟设计、阀门井设计、镇墩设计及配套的电力工程设计等。
第四部分 排水工程 设计说明 第一章明渠排水 (1)计算排满流量。可根据项目区特点、基本资料和设计要求按排满模数经验公式估算或按满期平均排除法估算,也可根据设计暴雨间接推算设计排涝流量。设计暴雨历时应根据项目区特点、暴雨特性和设计要求确定。对坡水地区,排满流量宜采用地区排满模数经验公式计(2)对有排渍要求的涝区,应根据地区气象、土壤、水文地质等因素,计算设计排渍流量。可采用常用公式计算,也可根据调查或试验资料估算;缺乏资料的地区,可参照类似地区资料或经验数据确定。

第五部分渠系建筑物工程 (2)根据所跨沟渠宽度及路面宽度确定桥梁跨径、面宽及桥长设计等。(3)上部结构设计。包括梁、板、栏杆、缘石设计及配筋计算。桥梁配筋要进行正截面抗弯承载力计算、斜截面抗剪承载力计算,盖梁应进行配筋计算。(4)下部结构设计。桥梁下部结构分重力式墩台和桩基两种。重力式墩台应根据工程区地质情况进行基底应力验算、墩台稳定验算及承载力计算;桩基应根据工程区地质情况进行各桩入土深度计算、桩长计算及桩配筋计算等。(1)管涵轴线宜短而直,并宜与沟溪、道路中心线正交,进、出口应与上、下游渠道平顺连接。(3)管涵的形式可根据水头、建筑材料及施工条件等确定,常用的有钢筋混凝土管涵。(5)管涵的进出口根据实际需要设置扭曲面护坡或八字墙,并与上、下游渠道顺畅连接。(6)管涵过流能力计算。当管涵进、出口采用挡土板形式时,应进行配筋计算。(1)节制闸闸室结构宜采用开敞式,闸底槛楼顶宜与莱底齐平或略高于莱底;闸孔设计过水断面面积宜与莱道过水断面面积相适应。(2)分水闸闸室结构宜采用开敞式或封闭式,闸底楼槛顶宜与上一级渠底齐平或略高于上一级渠底,多泥沙渠道上应略高于上一级渠底;单股分水闸的分水角度宜取600-900,双股分水闸的分水角度宜对称相等,多股分水闸的分水角度可因地制宜确定。(3)水闸结构设计应根据结构受力条件及工程地质条件进行。计算内容包括闸孔尺寸确定、闸室稳定计算、岸墙及翼墙稳定计算、消能防冲计算、内力计算和配筋设计等。第四章倒虹吸 (1)倒虹吸轴线在平面布置上的投影宜为直线,并宜与河流沟渠、道路等中心线正交,进、出口应与上、下游渠道平顺连接。 (2)倒虹吸进、出口应设置渐变段,其长度分别取上、下游渠道设计水深的3-5倍和4-6倍,进口段应设拦污拦沙设施。 (3)倒虹吸可根据地形、地质条件和穿越河流、沟渠、道路的具体情况选择上埋式、沟埋式或架空梁式。 (4)倒虹吸横断面可采用圆形、箱型或拱形等,流量大、水头低时也可采用矩形。 (5)倒虹吸可根据流量、水头、建筑材料和施工条件等,选用混凝土管或钢筋混凝土管等。 (6)倒虹吸设计应进行倒虹吸过水能力计算、总水头损失计算、结构计算等。 第五章其他工程 其他工程含溢流堰和量水槛。 
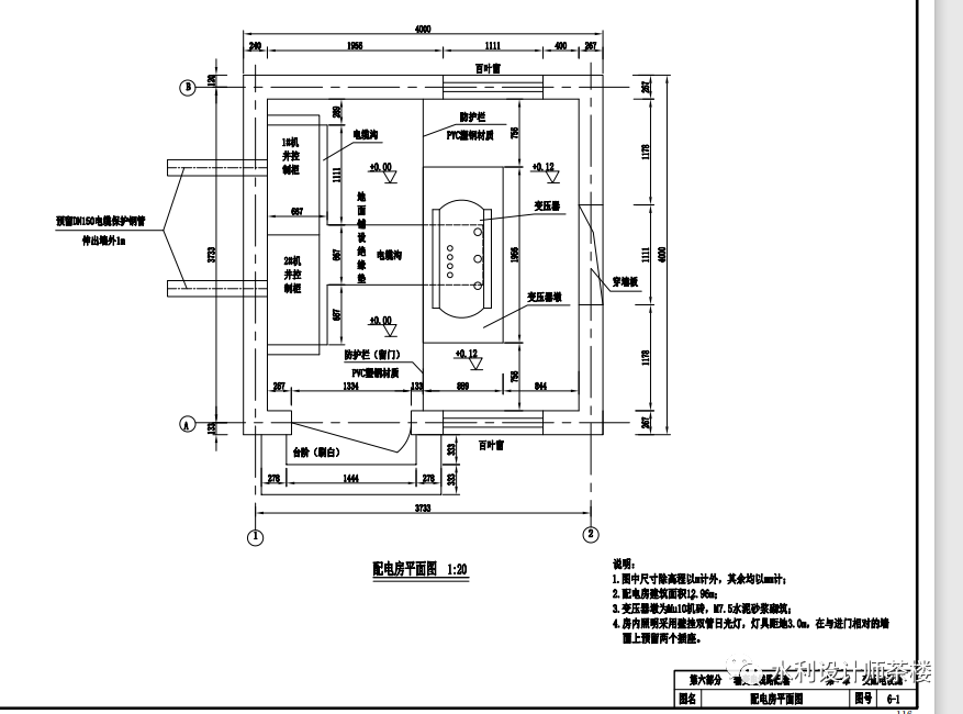
第六部分输变电线路配套 (1)变配电设施按照安装形式不同分为配电房内和电杆上两种。配备前应进行配套变压器容量计算,根据各管灌系统及配套电机的有关参数,选取变压器型号。(1)根据计算出的输电线路导线截面积及敷设环境,选择导线型号。(2)电杆布置。高压电杆每50m布置一根,低压电杆每40m布置一根,其质量应符合《环形混凝土电杆》(GB/T4623-2014)的标准。

第七部分 田间道路工程 设计说明 第一章干道 干道一般宽左右,稻作区、丘陵山区不低于3m。混凝土或沥青路面,并增设路肩,路肩宽度不低于0.3m。第二章支路 支路为方便田间生产及耕作要求而修筑,素土或泥结碎石路面,宜为单车道,路面宽不超过3m。 第八部分林网工程 (1)项目区要因地制宜地采取林业措施,平原地区加强农田防护林网建设;丘陵山区要积极营造水土保持林、水源涵养林。(2)主要道路、沟渠两侧,适地、适树营造农田防护林网。干道宜植2行树,支路可植1行树。在有显著主害风的地区,采取长方形网格配置,尽可能与生态林、环树林等相结合。 项目区永久性公示牌是落实项目资金公示制的一项措施,在项目区进口、出口和中心点位宜各设置一块永久性公示牌。项目区开发面积为2万亩以上的,公示牌数量可根据需要增加。主要单项建设工程均要镶嵌、粘贴或喷涂工程标志牌(徽)。标志牌(微)要清楚、醒目。
获取高标准农田典型工程设计图集.pdf(66M126页)下载链接。
链接: https://pan.baidu.com/s/1TuF68yoZCJgyuLyJdHTemg 提取码: 3e6j 复制这段内容后打开百度网盘手机App,操作更方便哦
|